Запасные части ЧТЗ Запасные части ЧТЗ
Нижневартовск
Например:
Актобе
Алдан
или
Выбрать автоматически
Актобе
Алдан
Алматы
Алчевск
Архангельск
Астана
Астрахань
Атырау
Баку
Балашиха
Барнаул
Белгород
Бердянск
Бишкек
Владивосток
Владикавказ
Воркута
Воронеж
Горловка
Грозный
Донецк
Екатеринбург
Иваново
Ижевск
Иркутск
Казань
Калининград
Каменск-Уральский
Караганда
Каховка
Кемерово
Киров
Комсомольск-на-Амуре
Костанай
Краснодар
Красноярск
Красный луч
Ленск
Луганск
Магадан
Магнитогорск
Макеевка
Махачкала
Мелитополь
Минск
Мирный (Якутия)
Москва
Мурманск
Нерюнгри
Нижневартовск
Нижний Новгород
Нижний Тагил
Новая каховка
Новокузнецк
Новосибирск
Новый Уренгой
Норильск
Ноябрьск
Нур-Султан
Омск
Оренбург
Ош
Павлодар
Пермь
Петрозаводск
Петропавловск
Петропавловск-Камчатский
Псков
Ростов-на-Дону
Салехард
Самара
Санкт-Петербург
Саратов
Севастополь
Семей
Симферополь
Сочи
Ставрополь
Сургут
Сыктывкар
Тараз
Ташкент
Токмак
Томск
Тында
Тюмень
Ульяновск
Усинск
Усть-Каменогорск
Уфа
Хабаровск
Ханты-Мансийск
Херсон
Челябинск
Чита
Шымкент
Экибастуз
Энергодар
Южно-Сахалинск
Якутск
Ваш город
Нижневартовск
Войти
Запасные части к тракторам на одном сайте
+7 (932) 303-00-10
+7 (932) 303-00-10
г. Нижневартовск, ул. Авиаторов, д. 16
Пн-Пт: 9:30-18:30 Cб-Вс: Выходной
Отправить заявку


Устройство дизеля


/
с НДС 20%
Описание
Основной сборочной единицей, воспринимающей нагрузки, возникающие при работе дизеля, является литой чугунный блок цилиндров со вставными гильзами. Вертикальные перегородки блока вместе с передней и задней стенками служат опорами коленчатому валу. Боковые стенки блока плавно переходят в боковые стенки картера.

К блоку крепятся все остальные сборочные единицы и агрегаты дизеля. Головка цилиндров общая на два цилиндра. Газовый стык между головкой и блоком уплотняется медноасбестовой прокладкой. Клапаны подвесные, по одному впускному и выпускному на каждый цилиндр. Коленчатый вал пятиопорный с противовесами. Литой чугунный маховик крепится болтами к фланцу коленчатого вала. Коренные взаимозаменяемые и шатунные взаимозаменяемые подшипники скольжения сталеалюминевые. Поршень овальнобочкообразный из алюминиевого сплава с камерой сгорания в днище, с тремя компрессионными и двумя маслосъемными кольцами. Верхние компрессионное и маслосъемное кольца хромированы. Под верхним маслосъемным кольцом устанавливается радиальный расширитель.

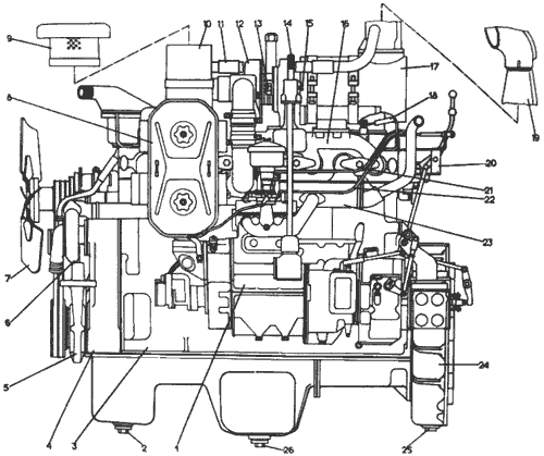
Дизель Д-160 (вид со стороны пускового двигателя)
Рис. 1. Дизель Д-160 (вид со стороны пускового двигателя)
1-двигатель пусковой; 2-пробка сливного отверстия картера; 3-блок; 4-кожух шестерен распределения; 5-опора передняя; 6-насос системы охлаждения; 7-вентилятор; 8-воздухоочиститель; 9-воздухозаборник; 10-мультициклон; 11-труба эжекционная; 12-турбокомпрессор; 13-датчик аварийного давления масла в турбокомпрессоре; 14-механизм проворачивания; 15-масленка; 16-коллектор выхлопной; 17-глушитель; 18-трубка слива топлива из форсунок; 19-труба выпускная; 20-управление дизелем; 21-тяга воздушной заслонки; 22-тяга дроссельной заслонки; 23-коллектор всасывающий; 24-кожух маховика; 25-пробка кожуха маховика; 26-пробка картера магнитная.

Дизель Д-160 (вид со стороны топливного насоса)
Рис. 2. Дизель Д-160 (вид со стороны топливного насоса)
1-датчик указателя давления масла в главной масляной магистрали дизеля; 2-горловина заливная; 3-сапун; 4-центрифуга масляная; 5-датчик температуры охлаждающей жидкости; 6-кран-бензоотстойник; 7-бачок пускового двигателя; 8-фильтр масляный турбокомпрессора; 9-пробки сливные фильтра тонкой очистки топлива; 10-вентиль продувочный; 11-датчик аварийного давления топлива; 12-фильтр тонкой очистки топлива; 13-генератор; 14-картер; 15-работо-мер; 16, 17-пробки сливных отверстий; 18-фильтр грубой очистки топлива; 19-подвод масла от масляного радиатора; 20-отвод масла к масляному радиатору.

Дизель Д-160 (продольный разрез)
Рис. 3. Дизель Д-160 (продольный разрез)
1-шкив коленчатого вала; 2-сальник; 3-кронштейн вентилятора; 4, 5, 6-масленки; 7-винт натяжения ремней; 8-головка цилиндров; 9-колпак; 10-клапан выпускной; 11-клапан впускной; 12-гильза цилиндров; 13-поршень; 14-крышка; 15-указатель; 16-маховик; 17-кожух маховика; 18-маслоприемник задний; 19-шатун; 20-маслоприемник центральный; 21-механизм уравновешивающий; 22-маслоприемник передний.

Дизель Д-160 (поперечный разрез)
Рис. 4. Дизель Д-160 (поперечный разрез)
1-вал распределительный; 2-толкатель; 3-опора задняя; 4-насос топливный; 5-штанга толкателя; 6-поршень; 7-кольцо поршневое; 8-штанга декомпрессора; 9-коромысло клапана; 10-валик коромысел; 11-форсунка; 12-рычаг крепления форсунки; 13-насос масляный; 14-линейка маломерная.

Механизм кривошипно-шатунный
Рис. 5. Механизм кривошипно-шатунный
1-шкив коленчатого вала; 2, 3-шестерни; 4-поршень; 5-шатун; 6-полукольцо упорное; 7-кольцо поршневое маслосъемное; 8-кольцо поршневое компрессионное (верхнее хромированное); 9-кольцо поршневое компрессионное нижнее; 10-палец поршневой; 11-сухарик; 12-цапфа; 13-маховик; 14-вал коленчатый.

Устройство дизеля показано на рис. 1, 2, 3, 4, кривошипно-шатунный механизм - на рис. 5.

Кинематическая схема дизеля
Рис. 6. Кинематическая схема дизеля
1-кожух шестерен распределения; 2-вентилятор; 3-механизм уравновешивающий; 4-регулятор; 5-насос топливный; 6-насос масляный; 7-двзель; 8-редуктор пускового двигателя; 9-муфта сцепления пускового двигателя; 10-двигатель пусковой; 11-механизм проворачивания вала пускового двигателя; 12-кожух шестерен распределения пускового двигателя; 13-регулятор пускового двигателя; 14-шестерня привода уравновешивающего механизма; 15-шестерня привода масляного насоса; 16-шестерни паразитная (малая); 17-шестерня привода насоса; 18-шестерня распределительная; 19-шестерня привода к топливному насосу; 20-шестерня паразитная (большая); 21-шестерня привода насоса системы охлаждения; 22-шестерня промежуточная (большая); 23-шестерня привода насоса; 24-шестерня коленчатого вала (малая); 25-шестерня коленчатого вала (большая).

Кинематическая схема дизеля и перечень подшипников качения показаны на рис. 6.
Устройство дизеля